Toggle Nav

SM

Mounting Bracket-Both Ends Open
Low Height
For Model LRA/LRA-Z
In stock
Loading...
*Please contact THK if you need more than available quantity or out of stock items
Attributes Part Number CAD Online Store
Unit Price (USD)
Quantity Days to Ship Item Total
Applicable Model: LRA1547Z
SM15
Days to Ship: 3 - 4 weeks
Applicable Model: LRA2055Z
SM20
Days to Ship: 3 - 4 weeks
Applicable Model: LRA2565Z
SM25
Days to Ship: 3 - 4 weeks
Applicable Model: LRA3275Z
SM32
Days to Ship: 3 - 4 weeks
Applicable Model: LRA4095
SM40
Days to Ship: 3 - 4 weeks
Applicable Model: LRA50130
SM50
Days to Ship: 3 - 4 weeks
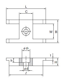
Model No. Main dimensions Mass
W B L C l H t d d1 h
mm mm mm mm mm mm mm mm mm mm g
SM151522.2531645935.59.55.438
SM2020.2305318451036.6116.560
SM2525.538.16523551249148.6115
SM3232.5456523551349148.6135
SM4040.5558128711961117.510.8290
SM5050.576.21023892289142013890
For more detailed specifications, please download the Product Catalog with the link in the Downloads section of this product page.
Model Size
SM 15
SM 15
  20
  25
  32
  40
  50